





Ang hindi kinakalawang na asero na tuwid na pagkabit ay makina pagkatapos ng pag -alis ng mga bilog na bakal o bakal na ingot. Ang form ng koneksyon nito ay socket welding (socket welding-sw). Ang pipe ng bakal ay ipinasok sa butas ng socket para sa hinang. Samakatuwid, ito ay tinatawag na "hindi kinakalawang na asero na tuwid na pagkabit".
Ang hindi kinakalawang na asero na tuwid na pagkabit ay mahalagang nangangahulugan na kapag ang branch pipe ay konektado sa pangunahing pipe, pinalaki ito sa pamamagitan ng half-pipe joint upang mapadali ang hinang, at pagkatapos ay ang kabilang dulo ay konektado sa pipe ng sanga.
Ang tuwid na pagkabit ay malawakang ginagamit sa mga tubo ng iba't ibang mga diametro, kabilang ang tee, cross, atbp, at maaari ring magamit para sa mga metro ng tubig at balbula. Dahil sa istraktura ng socket, binabawasan ng pinagsamang pipe ang gastos at lubos na maginhawa upang mai -install, gamitin, at mapanatili. Marami itong pakinabang, tulad ng isang makinis na ibabaw, hindi madaling ma -corrode, zero maintenance, at mahabang buhay ng serbisyo. Mayroon din itong napakataas na kakayahan sa pag -iwas sa pagtagas at may mahusay na mga prospect sa merkado.
Application: Ang angkop na ito ay mainam para sa pagsali sa dalawang hindi nabagong mga tubo kung saan kinakailangan ang mataas na makunat at lakas ng epekto. Malawak na ginagamit sa pagtatayo ng konstruksyon, banyo, kusina, lababo, laboratoryo, atbp.
Panimula
| Item | Hindi kinakalawang na asero tuwid na pagkabit |
| Pamantayan | ANSI B16.11, MSS SP 97, MSS SP 95, MSS SP 83, BS3799, ASTM A733, atbp. |
| Materyal | Hindi kinakalawang na asero |
| Ibabaw | CNC machined, anti-rust oil, HDG (hot dip gal.) |
| I -type | Paghahagis |
| laki | DN6-100 |
| Oras ng paghahatid | Sa loob ng 5-30 araw pagkatapos matanggap ang prepaid |
| Pag -iimpake | Karton o kahoy na kaso. Maaari ring ipasadya tulad ng bawat kinakailangan ng kliyente |
| Application | Ang industriya ng petrochemical; Aviation at Aerospace Industry; industriya ng parmasyutiko, tambutso ng gas; Power Plant; gusali ng barko; Paggamot ng tubig, atbp. $ |
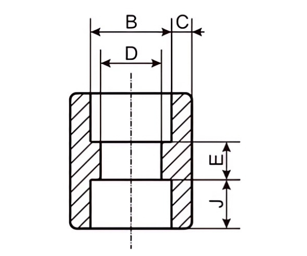
Mga sukat sa milimetro
| Nominal diameter | B | D | C | J | E | ||||||||
| DN | NPS | 3000lb | 6000lb | 9000lb | 3000lb | 6000lb | 9000lb | ||||||
| ave | min | ave | min | ave | min | ||||||||
| 6 | 1/8 " | 10.9 | 6.1 | 3.2 | -$ | 3.18 | 3.18 | 3.96 | 3.43 | - | - | 9.5 | 6.5 |
| 8 | 1/4 " | 14.3 | 8.5 | 5.6 | - | 3.78 | 3.30 | 4.60 | 4.01 | - | - | 9.5 | 6.5 |
| 10 | 3/8 " | 17.7 | 11.8 | 8.4 | - | 4.01 | 3.50 | 5.03 | 4.37 | - | - | 9.5 | 6.5 |
| 15 | 1/2 " | 21.9 | 15.0 | 11.0 | 5.6 | 4.67 | 4.09 | 5.97 | 5.18 | 9.53 | 8.18 | 9.5 | 9.5 |
| 20 | 3/4 " | 27.3 | 20.2 | 14.8 | 10.3 | 4.90 | 4.27 | 6.96 | 6.04 | 9.78 | 8.56 | 12.5 | 9.5 |
| 25 | 1 " | 34.0 | 25.9 | 19.9 | 14.4 | 5.69 | 4.98 | 7.92 | 6.93 | 11.38 | 9.96 | 12.5 | 12.5 |
| 32 | 1 1/4 " | 42.8 | 34.4 | 28.7 | 22.0 | 6.07 | 5.28 | 7.92 | 6.93 | 12.14 | 10.52 | 12.5 | 12.5 |
| 40 | 1 1/2 " | 48.9 | 40.1 | 33.2 | 27.2 | 6.35 | 5.54 | 8.92 | 7.80 | 12.70 | 11.12 | 12.5 | 12.5 |
| 50 | 2 " | 61.2 | 51.7 | 42.1 | 37.4 | 6.93 | 6.04 | 10.92 | 9.50 | 13.84 | 12.12 | 16.0 | 19.0 |
| 65 | 2 1/2 " | 73.9 | 61.2 | - | - | 8.76 | 7.62 | - | - | - | - | 16.0 | 19.0 |
| 80 | 3 " | 89.9 | 76.4 | - | - | 9.52 | 8.30 | - | - | - | - | 16.0 | 19.0 |
| 100 | 4 " | 115.5 | 100.7 | - | - | 10.69 | 9.35 | - | - | - | - | 19.0 | 19.0 |
Itinatag noong 2007 at lumipat sa Longyou Economic Development Zone, Zhejiang Province, noong 2022. Saklaw nito ang isang lugar na 130,000 square meters, higit sa 30 mga linya ng produksiyon, 300 manggagawa, 20 R&D na tao, 30 inspeksyon na tao at isang taunang output ng 50,000 tonelada.
It has passed ISO9001:2008 quality management system, PED 97/23/EC EU Pressure Equipment Directive certification, China Special Equipment Manufacturing License (Pressure Tube) TS certification, ASME certification, provincial enterprise standardization management system, ISO14000:2004 environment management system, cleaner production (green enterprise), and a series of certifications, as well as China Classification Society (CCS), American Bureau of Shipping (ABS), British Register of Shipping (LR), Deutsche Veritas (GL), Bureau Veritas Society (BV), Det Norske Veritas (DNV), at Korean Register of Shipping (KR) na sertipikasyon ng pabrika.
Kasama sa mga pangunahing produkto ang hindi kinakalawang na mga tubo ng bakal, mga fittings ng pipe, flanges, balbula, atbp, na malawakang ginagamit sa petrolyo, industriya ng kemikal, industriya ng nuklear, smelting, paggawa ng barko, mga parmasyutiko, pagkain, konserbasyon ng tubig, kuryente, bagong enerhiya, kagamitan sa mekanikal, at iba pang mga patlang. Ang kumpanya ay sumunod sa corporate tenet ng "kalidad para sa kaligtasan ng buhay, reputasyon para sa kaunlaran" at buong puso ay nagsisilbi sa bawat customer upang lumikha ng isang panalo-win na sitwasyon.





Mass density ng banayad na bakal: mga pangunahing kaalaman at praktikal na kahalagahan Ang mass density ng banayad na bakal ay isang pangunahing pag -aari na direktang nakakaapekto sa kung paano...
Tingnan paPanimula sa mababang haluang metal na bakal na materyal Ang mababang haluang metal na materyal na bakal ay isang uri ng bakal na naglalaman ng isang maliit na porsyento ng mga elemento ng alloyi...
Tingnan paPangkalahatang -ideya - Ano ang ibig sabihin ng "Timbang sa Per Cubic Inch" para sa hindi kinakalawang na asero Ang "Timbang Per Cubic Inch" ay simpleng masa (sa pounds) ng isang kubiko pulgada ...
Tingnan paHindi namin ibabahagi ang iyong email address at ikaw
Maaaring mag -opt out sa anumang oras, ipinangako namin.