





Ang cross pipe ay isang pipe fitting na ginamit sa intersection ng apat na mga tubo. Maaari itong magkaroon ng isang inlet at tatlong saksakan, o maaari itong magkaroon ng isang inlet at isang outlet. Ang outlet at inlet diameters ay maaaring pareho o naiiba.
Kapag ang laki ng pipe ng sanga ay mas maliit kaysa sa pangunahing laki ng pipe, karaniwang tinatawag namin itong isang pagbabawas ng krus. Nakakamit nito ang kinakailangang daloy at presyon sa pamamagitan ng sistema ng piping. Ang mga pagbabawas ng cross pipe fitting ay madalas na may posibilidad na magkaroon ng solvent-welded sockets o mga dulo ng kababaihan.
Ang hindi kinakalawang na asero na pagbabawas ng mga krus ay malawakang ginagamit sa mga sistema ng pagtutubero. Sila ang mga fittings na kumokonekta sa iba't ibang mga tubo at pinapayagan ang pagbabagong -anyo ng landas. Ang mga pagbabawas ng mga krus ay tumutulong sa mga likido na lumipat sa isang ligtas na paraan.
Ang pagbabawas ng mga cross-fittings ay hindi gaanong karaniwan sa pangkalahatang mga aplikasyon ng pang-industriya. Mayroong ilang mga sitwasyon lamang kung saan ginagamit ang pagbabawas ng mga cross fittings, tulad ng mga sprinkler ng sunog sa mga emergency system o paghahardin, domestic application, atbp.
Panimula
| Pagbabawas ng krus | |
| Item | Hindi kinakalawang na asero pagbabawas ng krus |
| Pamantayan | ASME: ANSI B16.9, ANSI B16.28, MSS-SP-43 GB: GB/T12459, GB/T13401, HG/T21635, HG/T21631 |
| Materyal | Hindi kinakalawang na asero ocr18ni9 grade, 0cr18ni9ti, 1cr18ni9ti; 304, 304L, 316, 316L, 317, 317L, 321, 321H Dual-phase hindi kinakalawang na asero ASTM A815-S31803 、 S32750 、 S32760 Super Steel ASTM 904L 、 B366-N08904 、 A403-WP317、317L |
| Ibabaw | Mainit na galvanized |
| I -type | Bumubuo ng umbok |
| laki | ½ "-48" |
| Oras ng paghahatid | Sa loob ng 5-30 araw pagkatapos matanggap ang prepaid |
| Pag -iimpake | Karaniwan ang pag -iimpake ng mga kaso ng playwud sa bawat produkto na maayos na puno ng mga pelikula. |
| Application | Power Generation, Petrochemical, Shipbuilding, Paper Manufacturing, Chemical, Pharmaceutical, at Fabrication. |
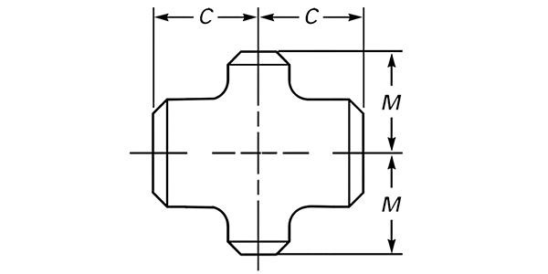
| Laki ng pipe ng nominal | O.D. sa Bevel | Center-to-end | |||
| NPS | Tumakbo | Outlet | Patakbuhin c | Outlet m | |
| ½ | ¼ | 0.84 | 0.54 | 1.00 | 1.00 |
| ½ | 3/8 | 0.84 | 0.68 | 1.00 | 1.00 |
| ¾ | 3/8 | 1.05 | 0.68 | 1.12 | 1.12 |
| ¾ | ½ | 1.05 | 0.84 | 1.12 | 1.12 |
| 1 | ½ | 1.32 | 0.84 | 1.50 | 1.50 |
| 1 | ¾ | 1.32 | 1.05 | 1.50 | 1.50 |
| 1¼ | ½ | 1.66 | 0.84 | 1.88 | 1.88 |
| 1¼ | ¾ | 1.66 | 1.05 | 1.88 | 1.88 |
| 1¼ | 1 | 1.66 | 1.32 | 1.88 | 1.88 |
| 1½ | ½ | 1.90 | 0.84 | 2.25 | 2.25 |
| 1½ | ¾ | 1.90 | 1.05 | 2.25 | 2.25 |
| 1½ | 1 | 1.90 | 1.66 | 2.25 | 2.25 |
| 1½ | 1¼ | 1.90 | 1.66 | 2.25 | 2.25 |
| 2 | ¾ | 2.38 | 1.05 | 2.50 | 1.75 |
| 2 | 1 | 2.38 | 1.32 | 2.50 | 2.00 |
| 2 | 1¼ | 2.38 | 1.66 | 2.50 | 2.25 |
| 2 | 1½ | 2.38 | 1.90 | 2.50 | 2.38 |
| 2½ | 1 | 2.88 | 1.32 | 3.00 | 2.25 |
| 2½ | 1¼ | 2.88 | 1.66 | 3.00 | 2.50 |
| 2½ | 1½ | 2.88 | 1.90 | 3.00 | 2.62 |
| 2½ | 2 | 2.88 | 2.38 | 3.00 | 2.75 |
| 3 | 1¼ | 3.50 | 1.66 | 3.38 | 2.75 |
| 3 | 1½ | 3.50 | 1.90 | 3.38 | 2.88 |
| 3 | 2 | 3.50 | 2.38 | 3.38 | 3.00 |
| 3 | 2½ | 3.50 | 2.88 | 3.38 | 3.25 |
| 3½ $ | 1½ | 4.00 | 1.90 | 3.75 | 3.12 |
| 3½ | 2 | 4.00 | 2.38 | 3.75 | 3.25 |
| 3½ | 2½ | 4.00 | 2.88 | 3.75 | 3.50 |
| 3½ | 3 | 4.00 | 3.50 | 3.75 | 3.62 |
| 4 | 1½ | 4.50 | 1.90 | 4.12 | 3.38 |
| 4 | 2 | 4.50 | 2.38 | 4.12 | 3.50 |
| 4 | 2½ | 4.50 | 2.88 | 4.12 | 3.75 |
| 4 | 3 | 4.50 | 3.50 | 4.12 | 3.88 |
| 4 | 3½ | 4.50 | 4.00 | 4.12 | 4.00 |
| 5 | 2 | 5.56 | 2.38 | 4.88 | 4.12 |
| 5 | 2½ | 5.56 | 2.88 | 4.88 | 4.25 |
| 5 | 3 | 5.56 | 3.50 | 4.88 | 4.38 |
| 5 | 3½ | 5.56 | 4.00 | 4.88 | 4.50 |
| 5 | 4 | 5.56 | 4.50 | 4.88 | 4.62 |
| 6 | 2½ | 6.62 | 2.88 | 5.62 | 4.75 |
| 6 | 3 | 6.62 | 3.50 | 5.62 | 4.88 |
| 6 | 3½ | 6.62 | 4.00 | 5.62 | 5.00 |
| 6 | 4 | 6.62 | 4.50 | 5.62 | 5.12 |
| 6 | 5 | 6.62 | 5.56 | 5.62 | 5.38 |
| 8 | 3½ | 8.62 | 4.00 | 7.00 | 6.00 |
| 8 | 4 | 8.62 | 4.50 | 7.00 | 6.12 |
| 8 | 5 | 8.62 | 5.56 | 7.00 | 6.38 |
| 8 | 6 | 8.62 | 6.62 | 7.00 | 6.62 |
| 10 | 4 | 10.75 | 4.50 | 8.50 | 7.25 |
| 10 | 5 | 10.75 | 5.56 | 8.50 | 7.50 |
| 10 | 6 | 10.75 | 6.62 | 8.50 | 7.62 |
| 10 | 8 | 10.75 | 8.62 | 8.50 | 8.00 |
| 12 | 5 | 12.75 | 5.56 | 10.00 | 8.50 |
| 12 | 6 | 12.75 | 6.62 | 10.00 | 8.62 |
| 12 | 8 | 12.75 | 8.62 | 10.00 | 9.00 |
| 12 | 10 | 12.75 | 10.75 | 10.00 | 9.50 |
| 14 | 6 | 14.00 | 6.62 | 11.00 | 9.38 |
| 14 | 8 | 14.00 | 8.62 | 11.00 | 9.75 |
| 14 | 10 | 14.00 | 10.75 | 11.00 | 10.12 |
| 14 | 12 | 14.00 | 12.75 | 11.00 | 10.62 |
| 16 | 6 | 16.00 | 6.62 | 12.00 | 10.38 |
| 16 | 8 | 16.00 | 8.62 | 12.00 | 10.75 |
| 16 | 10 | 16.00 | 10.75 | 12.00 | 11.12 |
| 16 | 12 | 16.00 | 12.75 | 12.00 | 11.62 |
| 16 | 14 | 16.00 | 14.00 | 12.00 | 12.00 |
| 18 | 8 | 18.00 | 8.62 | 13.50 | 11.75 |
| 18 | 10 | 18.00 | 10.75 | 13.50 | 12.12 |
| 18 | 12 | 18.00 | 12.75 | 13.50 | 12.62 |
| 18 | 14 | 18.00 | 14.00 | 13.50 | 13.00 |
| 18 | 16 | 18.00 | 16.00 | 13.50 | 13.00 |
| 20 | 8 | 20.00 | 8.62 | 15.00 | 12.75 |
| 20 | 10 | 20.00 | 10.75 | 15.00 | 13.12 |
| 20 | 12 | 20.00 | 12.75 | 15.00 | 13.62 |
| 20 | 14 | 20.00 | 14.00 | 15.00 | 14.00 |
| 20 | 16 | 20.00 | 16.00 | 15.00 | 14.00 |
| 20 | 18 | 20.00 | 18.00 | 15.00 | 14.50 |
| 22 | 10 | 22.00 | 10.75 | 16.50 | 14.12 |
| 22 | 12 | 22.00 | 12.75 | 16.50 | 14.62 |
| 22 | 14 | 22.00 | 14.00 | 16.50 | 15.00 |
| 22 | 16 | 22.00 | 16.00 | 16.50 | 15.00 |
| 22 | 18 | 22.00 | 18.00 | 16.50 | 15.50 |
| 22 | 20 | 22.00 | 20.00 | 16.50 | 16.00 |
| 24 | 10 | 24.00 | 10.75 | 17.00 | 15.12 |
| 24 | 12 | 24.00 | 12.75 | 17.00 | 15.62 |
| 24 | 14 | 24.00 | 14.00 | 17.00 | 16.00 |
| 24 | 16 | 24.00 | 16.00 | 17.00 | 16.00 |
| 24 | 18 | 24.00 | 18.00 | 17.00 | 16.50 |
| 24 | 20 | 24.00 | 20.00 | 17.00 | 17.00 |
| 24 | 22 | 24.00 | 22.00 | 17.00 | 17.00 |
| 26 | 12 | 26.00 | 12.75 | 19.50 | 16.62 |
| 26 | 14 | 26.00 | 14.00 | 19.50 | 17.00 |
| 26 | 16 | 26.00 | 16.00 | 19.50 | 17.00 |
| 26 | 18 | 26.00 | 18.00 | 19.50 | 17.50 |
| 26 | 20 | 26.00 | 20.00 | 19.50 | 18.00 |
| 26 | 22 | 26.00 | 22.00 | 19.50 | 18.50 |
| 26 | 24 | 26.00 | 24.00 | 19.50 | 19.00 |
| 28 | 12 | 28.00 | 12.75 | 20.50 | 17.62 |
| 28 | 14 | 28.00 | 14.00 | 20.50 | 18.00 |
| 28 | 16 | 28.00 | 16.00 | 20.50 | 18.00 |
| 28 | 18 | 28.00 | 18.00 | 20.50 | 18.50 |
| 28 | 20 | 28.00 | 20.00 | 20.50 | 19.00 |
| 28 | 22 | 28.00 | 22.00 | 20.50 | 19.50 |
| 28 | 24 | 28.00 | 24.00 | 20.50 | 20.00 |
| 28 | 26 | 28.00 | 26.00 | 20.50 | 20.50 |
| 30 | 10 | 30.00 | 10.75 | 22.00 | 18.12 |
| 30 | 12 | 30.00 | 12.75 | 22.00 | 18.62 |
| 30 | 14 | 30.00 | 14.00 | 22.00 | 19.00 |
| 30 | 16 | 30.00 | 16.00 | 22.00 | 19.00 |
| 30 | 18 | 30.00 | 18.00 | 22.00 | 19.50 |
| 30 | 20 | 30.00 | 20.00 | 22.00 | 20.00 |
| 30 | 22 | 30.00 | 22.00 | 22.00 | 20.50 |
| 30 | 24 | 30.00 | 24.00 | 22.00 | 21.00 |
| 30 | 26 | 30.00 | 26.00 | 22.00 | 21.50 |
| 30 | 28 | 30.00 | 28.00 | 22.00 | 21.50 |
| 32 | 14 | 32.00 | 14.00 | 23.50 | 20.00 |
| 32 | 16 | 32.00 | 16.00 | 23.50 | 20.00 |
| 32 | 18 | 32.00 | 18.00 | 23.50 | 20.50 |
| 32 | 20 | 32.00 | 20.00 | 23.50 | 21.00 |
| 32 | 22 | 32.00 | 22.00 | 23.50 | 21.50 |
| 32 | 24 | 32.00 | 24.00 | 23.50 | 22.00 |
| 32 | 26 | 32.00 | 26.00 | 23.50 | 22.50 |
| 32 | 28 | 32.00 | 28.00 | 23.50 | 22.50 |
| 32 | 30 | 32.00 | 30.00 | 23.50 | 23.00 |
| 34 | 16 | 34.00 | 16.00 | 25.00 | 21.00 |
| 34 | 18 | 34.00 | 18.00 | 25.00 | 21.50 |
| 34 | 20 | 34.00 | 20.00 | 25.00 | 22.00 |
| 34 | 22 | 34.00 | 22.00 | 25.00 | 22.50 |
| 34 | 24 | 34.00 | 24.00 | 25.00 | 23.00 |
| 34 | 26 | 34.00 | 26.00 | 25.00 | 23.50 |
| 34 | 28 | 34.00 | 28.00 | 25.00 | 23.50 |
| 34 | 30 | 34.00 | 30.00 | 25.00 | 24.00 |
| 34 | 32 | 34.00 | 32.00 | 25.00 | 24.50 |
| 36 | 16 | 36.00 | 16.00 | 26.50 | 22.00 |
| 36 | 18 | 36.00 | 18.00 | 26.50 | 22.50 |
| 36 | 20 | 36.00 | 20.00 | 26.50 | 23.00 |
| 36 | 22 | 36.00 | 22.00 | 26.50 | 23.50 |
| 36 | 24 | 36.00 | 24.00 | 26.50 | 24.00 |
| 36 | 26 | 36.00 | 26.00 | 26.50 | 24.50 |
| 36 | 28 | 36.00 | 28.00 | 26.50 | 24.50 |
| 36 | 30 | 36.00 | 30.00 | 26.50 | 25.00 |
| 36 | 32 | 36.00 | 32.00 | 26.50 | 25.50 |
| 36 | 34 | 36.00 | 34.00 | 26.50 | 26.00 |
| 38 | 18 | 38.00 | 18.00 | 28.00 | 23.50 |
| 38 | 20 | 38.00 | 20.00 | 28.00 | 24.00 |
| 38 | 22 | 38.00 | 22.00 | 28.00 | 24.50 |
| 38 | 24 | 38.00 | 24.00 | 28.00 | 25.00 |
| 38 | 26 | 38.00 | 26.00 | 28.00 | 25.50 |
| 38 | 28 | 38.00 | 28.00 | 28.00 | 25.50 |
| 38 | 30 | 38.00 | 30.00 | 28.00 | 26.50 |
| 38 | 32 | 38.00 | 32.00 | 28.00 | 27.00 |
| 38 | 34 | 38.00 | 34.00 | 28.00 | 27.50 |
| 38 | 36 | 38.00 | 36.00 | 28.00 | 28.00 |
| 40 | 18 | 40.00 | 18.00 | 29.50 | 24.50 |
| 40 | 20 | 40.00 | 20.00 | 29.50 | 25.00 |
| 40 | 22 | 40.00 | 22.00 | 29.50 | 25.50 |
| 40 | 24 | 40.00 | 24.00 | 29.50 | 26.00 |
| 40 | 26 | 40.00 | 26.00 | 29.50 | 26.50 |
| 40 | 28 | 40.00 | 28.00 | 29.50 | 26.50 |
| 40 | 30 | 40.00 | 30.00 | 29.50 | 27.50 |
| 40 | 32 | 40.00 | 32.00 | 29.50 | 28.00 |
| 40 | 34 | 40.00 | 34.00 | 29.50 | 28.50 |
| 40 | 36 | 40.00 | 36.00 | 29.50 | 29.00 |
| 40 | 38 | 40.00 | 38.00 | 29.50 | 29.50 |
| 42 | 16 | 42.00 | 16.00 | 30.00 | 25.00 |
| 42 | 18 | 42.00 | 18.00 | 30.00 | 25.50 |
| 42 | 20 | 42.00 | 20.00 | 30.00 | 26.00 |
| 42 | 22 | 42.00 | 22.00 | 30.00 | 26.00 |
| 42 | 24 | 42.00 | 24.00 | 30.00 | 26.00 |
| 42 | 26 | 42.00 | 26.00 | 30.00 | 27.50 |
| 42 | 28 | 42.00 | 28.00 | 30.00 | 27.50 |
| 42 | 30 | 42.00 | 30.00 | 30.00 | 28.00 |
| 42 | 32 | 42.00 | 32.00 | 30.00 | 28.00 |
| 42 | 34 | 42.00 | 34.00 | 30.00 | 28.00 |
| 42 | 36 | 42.00 | 36.00 | 30.00 | 28.00 |
| 42 | 38 | 42.00 | 38.00 | 30.00 | 28.00 |
| 42 | 40 | 42.00 | 40.00 | 30.00 | 28.00 |
| 44 | 20 | 44.00 | 20.00 | 32.00 | 27.00 |
| 44 | 22 | 44.00 | 22.00 | 32.00 | 27.00 |
| 44 | 24 | 44.00 | 24.00 | 32.00 | 27.50 |
| 44 | 26 | 44.00 | 26.00 | 32.00 | 27.50 |
| 44 | 28 | 44.00 | 28.00 | 32.00 | 27.50 |
| 44 | 30 | 44.00 | 30.00 | 32.00 | 28.00 |
| 44 | 32 | 44.00 | 32.00 | 32.00 | 28.00 |
| 44 | 34 | 44.00 | 34.00 | 32.00 | 28.50 |
| 44 | 36 | 44.00 | 36.00 | 32.00 | 28.50 |
| 44 | 38 | 44.00 | 38.00 | 32.00 | 29.00 |
| 44 | 40 | 44.00 | 40.00 | 32.00 | 29.50 |
| 44 | 42 | 44.00 | 42.00 | 32.00 | 30.00 |
| 46 | 22 | 46.00 | 22.00 | 33.50 | 28.50 |
| 46 | 24 | 46.00 | 24.00 | 33.50 | 28.50 |
| 46 | 26 | 46.00 | 26.00 | 33.50 | 29.00 |
| 46 | 28 | 46.00 | 28.00 | 33.50 | 29.00 |
| 46 | 30 | 46.00 | 30.00 | 33.50 | 29.00 |
| 46 | 32 | 46.00 | 32.00 | 33.50 | 29.50 |
| 46 | 34 | 46.00 | 34.00 | 33.50 | 29.50 |
| 46 | 36 | 46.00 | 36.00 | 33.50 | 30.00 |
| 46 | 38 | 46.00 | 38.00 | 33.50 | 30.00 |
| 46 | 40 | 46.00 | 40.00 | 33.50 | 30.50 |
| 46 | 42 | 46.00 | 42.00 | 33.50 | 31.00 |
| 46 | 44 | 46.00 | 44.00 | 33.50 | 31.50 |
| 48 | 22 | 48.00 | 22.00 | 35.00 | 29.00 |
| 48 | 24 | 48.00 | 24.00 | 35.00 | 29.00 |
| 48 | 26 | 48.00 | 26.00 | 35.00 | 30.00 |
| 48 | 28 | 48.00 | 28.00 | 35.00 | 30.00 |
| 48 | 30 | 48.00 | 30.00 | 35.00 | 30.00 |
| 48 | 32 | 48.00 | 32.00 | 35.00 | 31.00 |
| 48 | 34 | 48.00 | 34.00 | 35.00 | 31.00 |
| 48 | 36 | 48.00 | 36.00 | 35.00 | 31.00 |
| 48 | 38 | 48.00 | 38.00 | 35.00 | 32.00 |
| 48 | 40 | 48.00 | 40.00 | 35.00 | 32.00 |
| 48 | 42 | 48.00 | 42.00 | 35.00 | 32.00 |
| 48 | 44 | 48.00 | 44.00 | 35.00 | 33.00 |
| 48 | 46 | 48.00 | 46.00 | 35.00 | 33.00 |
Itinatag noong 2007 at lumipat sa Longyou Economic Development Zone, Zhejiang Province, noong 2022. Saklaw nito ang isang lugar na 130,000 square meters, higit sa 30 mga linya ng produksiyon, 300 manggagawa, 20 R&D na tao, 30 inspeksyon na tao at isang taunang output ng 50,000 tonelada.
It has passed ISO9001:2008 quality management system, PED 97/23/EC EU Pressure Equipment Directive certification, China Special Equipment Manufacturing License (Pressure Tube) TS certification, ASME certification, provincial enterprise standardization management system, ISO14000:2004 environment management system, cleaner production (green enterprise), and a series of certifications, as well as China Classification Society (CCS), American Bureau of Shipping (ABS), British Register of Shipping (LR), Deutsche Veritas (GL), Bureau Veritas Society (BV), Det Norske Veritas (DNV), at Korean Register of Shipping (KR) na sertipikasyon ng pabrika.
Kasama sa mga pangunahing produkto ang hindi kinakalawang na mga tubo ng bakal, mga fittings ng pipe, flanges, balbula, atbp, na malawakang ginagamit sa petrolyo, industriya ng kemikal, industriya ng nuklear, smelting, paggawa ng barko, mga parmasyutiko, pagkain, konserbasyon ng tubig, kuryente, bagong enerhiya, kagamitan sa mekanikal, at iba pang mga patlang. Ang kumpanya ay sumunod sa corporate tenet ng "kalidad para sa kaligtasan ng buhay, reputasyon para sa kaunlaran" at buong puso ay nagsisilbi sa bawat customer upang lumikha ng isang panalo-win na sitwasyon.





Mass density ng banayad na bakal: mga pangunahing kaalaman at praktikal na kahalagahan Ang mass density ng banayad na bakal ay isang pangunahing pag -aari na direktang nakakaapekto sa kung paano...
Tingnan paPanimula sa mababang haluang metal na bakal na materyal Ang mababang haluang metal na materyal na bakal ay isang uri ng bakal na naglalaman ng isang maliit na porsyento ng mga elemento ng alloyi...
Tingnan paPangkalahatang -ideya - Ano ang ibig sabihin ng "Timbang sa Per Cubic Inch" para sa hindi kinakalawang na asero Ang "Timbang Per Cubic Inch" ay simpleng masa (sa pounds) ng isang kubiko pulgada ...
Tingnan paHindi namin ibabahagi ang iyong email address at ikaw
Maaaring mag -opt out sa anumang oras, ipinangako namin.