





Ang isang krus ay isang uri ng pipe fitting na may apat na pagbubukas sa isang koneksyon. Ang fitting ay mukhang isang krus at nag -uugnay sa apat na magkakaibang mga tubo sa isang punto. Karaniwan itong may solvent-welded socket o mga dulo ng babaeng may sinulid.
Ang pantay na cross fitting ay isang krus na may lahat ng apat na pagbubukas ng pagkakaroon ng parehong diameter at pagkonekta sa apat na mga tubo ng parehong diameter din.
Ang mga cross pipe fittings ay ginagamit upang ikonekta ang mga tubo at baguhin o kontrolin ang daloy sa pamamagitan ng isang piping system. Ang mga sukat nito ay may mahalagang papel sa pagpapasya ng lakas at katatagan. Kapag ang parehong laki ng mga tubo ay konektado at ang mga likido ay dumadaloy mula sa isang direksyon, mahahati ito sa tatlong direksyon. Ang cross-pipe fitting ay sasailalim sa mahusay na mga problema sa presyon kapag ang likido ay dumadaloy sa tatlong direksyon at inaasahang lilipat sa isang direksyon.
Ang mga cross pipe fittings ay maaaring bigyang-diin ang mga tubo habang nagbabago ang temperatura dahil sa kanilang apat na daan na kalikasan. Samakatuwid, ang mga cross pipe ay karaniwang hindi ginagamit bilang mga sangkap na hydraulic ng pipeline. Sa kabaligtaran, kung saan ang pagpapalawak ng thermal ay hindi isang isyu, ang mga cross-fittings ay mas kapaki-pakinabang.
Panimula
| Pantay na krus | |
| Item | Hindi kinakalawang na asero pantay na krus |
| Pamantayan | ASME: ANSI B16.9, ANSI B16.28, MSS-SP-43 EN: EN10253-1, EN10253-2 DIN: DIN2605, DIN2615, DIN2616, DIN2617, DIN28011 Asme b16.25- puwit weld ends asme b16.28- Ginawa ang bakal na maikling radius siko at mga returning welding ng puwit MSS SP-43-Fabricated & Wrought Butt-Welding Fittings para sa Corrosion Resistant, Low-Pressure Application ASTM A403-AMME SA403-Specification para sa Wrought Austenitic Stainless Steel Piping Fittings ASME B16.9-WROYD FITTINGS BUTT Welding |
| Materyal | Hindi kinakalawang na asero, haluang metal na bakal, duplex, nikel alloys, mababang temperatura na bakal, carbon steel, atbp. |
| Ibabaw | Annealed & adobo, mainit na dip galvanizing, electro polish, transparent oil, zinc plate, itim na pintura, barnisan |
| I -type | Push, Press, Forge, Cast, atbp. |
| laki | ½ "-48" |
| Oras ng paghahatid | Sa loob ng 5-30 araw pagkatapos matanggap ang prepaid |
| Pag -iimpake | Ang pag -urong ng balot ng karton o sa seaworthy na kahoy na cased |
| Application | Mga Fittings upang Ikonekta ang Pipe & Tubes sa Petroleum, Power, Chemical, Konstruksyon, Gas, Metallurgy, Shipbuilding atbp. |
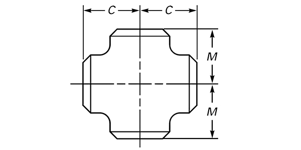
| Laki ng pipe ng nominal | Laki ng pipe ng nominal | Sentro hanggang sa dulo (sa.) | |
| NPS | (sa.) | Tumakbo, c | Outlet, m |
| ½ | 0.84 | 1.00 | 1.00 |
| ¾ | 1.05 | 1.12 | 1.12 |
| 1 | 1.32 | 1.50 | 1.50 |
| 1¼ | 1.66 | 1.88 | 1.88 |
| 1½ | 1.90 | 2.25 | 2.25 |
| 2 | 2.38 | 2.50 | 2.50 |
| 2½ | 2.88 | 3.00 | 3.00 |
| 3 | 3.50 | 3.38 | 3.38 |
| 3½ $ | 4.00 | 3.75 | 3.75 |
| 4 | 4.50 | 4.12 | 4.12 |
| 5 | 5.56 | 4.88 | 4.88 |
| 6 | 6.62 | 5.62 | 5.62 |
| 8 | 8.62 | 7.00 | 7.00 |
| 10 | 10.75 | 8.50 | 8.50 |
| 12 | 12.75 | 10.00 | 10.00 |
| 14 | 14.00 | 11.00 | 11.00 |
| 16 | 16.00 | 12.00 | 12.00 |
| 18 | 18.00 | 13.50 | 13.50 |
| 20 | 20.00 | 15.00 | 15.00 |
| 22 | 22.00 | 16.50 | 16.50 |
| 24 | 24.00 | 17.00 | 17.00 |
| 26 | 26.00 | 19.50 | 19.50 |
| 28 | 28.00 | 20.50 | 20.50 |
| 30 | 30.00 | 22.00 | 22.00 |
| 32 | 32.00 | 23.50 | 23.50 |
| 34 | 34.00 | 25.00 | 25.00 |
| 36 | 36.00 | 26.50 | 26.50 |
| 38 | 38.00 | 28.00 | 28.00 |
| 40 | 40.00 | 29.50 | 29.50 |
| 42 | 42.00 | 30.00 | 28.00 |
| 44 | 44.00 | 32.00 | 30.00 |
| 46 | 46.00 | 33.50 | 31.50 |
| 48 | 48.00 | 35.00 | 33.00 |
Itinatag noong 2007 at lumipat sa Longyou Economic Development Zone, Zhejiang Province, noong 2022. Saklaw nito ang isang lugar na 130,000 square meters, higit sa 30 mga linya ng produksiyon, 300 manggagawa, 20 R&D na tao, 30 inspeksyon na tao at isang taunang output ng 50,000 tonelada.
It has passed ISO9001:2008 quality management system, PED 97/23/EC EU Pressure Equipment Directive certification, China Special Equipment Manufacturing License (Pressure Tube) TS certification, ASME certification, provincial enterprise standardization management system, ISO14000:2004 environment management system, cleaner production (green enterprise), and a series of certifications, as well as China Classification Society (CCS), American Bureau of Shipping (ABS), British Register of Shipping (LR), Deutsche Veritas (GL), Bureau Veritas Society (BV), Det Norske Veritas (DNV), at Korean Register of Shipping (KR) na sertipikasyon ng pabrika.
Kasama sa mga pangunahing produkto ang hindi kinakalawang na mga tubo ng bakal, mga fittings ng pipe, flanges, balbula, atbp, na malawakang ginagamit sa petrolyo, industriya ng kemikal, industriya ng nuklear, smelting, paggawa ng barko, mga parmasyutiko, pagkain, konserbasyon ng tubig, kuryente, bagong enerhiya, kagamitan sa mekanikal, at iba pang mga patlang. Ang kumpanya ay sumunod sa corporate tenet ng "kalidad para sa kaligtasan ng buhay, reputasyon para sa kaunlaran" at buong puso ay nagsisilbi sa bawat customer upang lumikha ng isang panalo-win na sitwasyon.





Mass density ng banayad na bakal: mga pangunahing kaalaman at praktikal na kahalagahan Ang mass density ng banayad na bakal ay isang pangunahing pag -aari na direktang nakakaapekto sa kung paano...
Tingnan paPanimula sa mababang haluang metal na bakal na materyal Ang mababang haluang metal na materyal na bakal ay isang uri ng bakal na naglalaman ng isang maliit na porsyento ng mga elemento ng alloyi...
Tingnan paPangkalahatang -ideya - Ano ang ibig sabihin ng "Timbang sa Per Cubic Inch" para sa hindi kinakalawang na asero Ang "Timbang Per Cubic Inch" ay simpleng masa (sa pounds) ng isang kubiko pulgada ...
Tingnan paHindi namin ibabahagi ang iyong email address at ikaw
Maaaring mag -opt out sa anumang oras, ipinangako namin.